点我交流
qq: 123321156
产品中心 > RV机器人关节减速机 > YRV系列 >
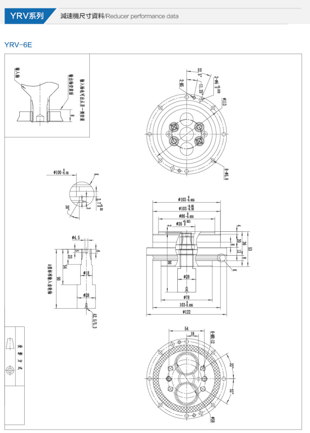
YRV-6E
- RV機器人減速機具有高精度、高鋼性、高負載、率、高速比、高壽命、低慣性、低振動、低噪音、低溫昇、外觀美、結構輕小、安裝方便、精確定位等特點。 適用於交流伺服馬達、直流伺服馬達、步進馬達、液壓馬達的增速與减速傳動。
RV機器人減速機直接取代凸輪分割器和DD馬達,機器人減速機是一個高定位精度的數位化旋轉平臺,具有低成本高精度的優勢,在旋轉平臺類佔據著强大的市場。
應用
適用於重負荷、高精度、高剛性、高速度、精密加工機床、航太工業、電晶體設備、印刷機械,食品包裝、自動化產業、工業機器人、醫療檢驗、精密測試儀器和自動化高精度的機電產品行業。
- 电话:
13800138000
- 尺寸资料
- 性能资料
- 型号说明


