欢迎访问锋镒(江苏)智能制造有限公司官网,专业从事各类精密行星减速机等研发、生产、设计、销售!
定制服务热线:
400-886-866
网站首页
关于我们
产品中心
行星减速机
RV机器人关节减速机
中空旋转平台
换向器减速机
非标定制减速机
新闻资讯
公司新闻
行业新闻
应用案例
联系我们
网站首页
关于我们
产品中心
行星减速机
RV机器人关节减速机
中空旋转平台
换向器减速机
非标定制减速机
新闻资讯
公司新闻
行业新闻
应用案例
联系我们
产品中心
>
中空旋转平台
>
FYF系列
>
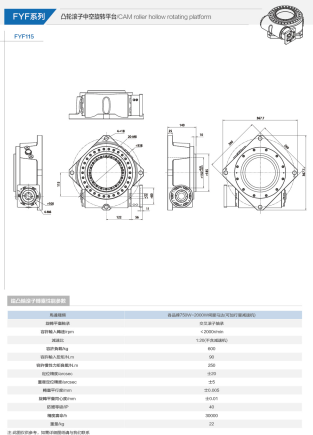
FYF115
中空旋轉平臺
錐度支撐肋通常與四顆滾子接觸,以便輸入軸的旋轉能更均勻的傳遞到出力轉塔;
凸輪採用等速曲線適合低速重負載的應用場景;
實現精准定位,精度更高;
滾子與凸輪滾動傳遞,快速定位效率更高,最小化無效定位時間;
滾子與凸輪接觸面大,剛性比蝸輪蝸桿結構轉臺更高。
產品規格:
070、095、158、175、250、270、360、410、530、730
產品背隙:
定位精度±8
速比:20、24、30、40
电话
:
13800138000
附件下载
尺寸资料
性能资料
型号说明
上一篇:FYF90
下一篇:FYF215
点我交流
qq: 123321156
扫一扫